一、概述
型智能调节型部分回转阀门控制装置本系列阀门电动装置把电气控制部分和常规部分回转电动装置合成一体,采用4~20mA输入控制电装筒称调节电装。
本产品有如下特点:1.采用SOIC芯片为核心控制元件,提高系统的抗干扰性能;2.相序自动鉴别功能;3.缺相保护功能,可以检测三相电源的缺相,并发出报警信号,并禁止电动执行机构的一切操作,直到三相电源恢复为止;4.断线事件检测报警功能,当DCS控制系统无DC4~20mA信号输入到执行机构时,执行机构发出报警信号,并执行信号断线时的事件处理功能:或保持原来的阀位,或将阀门全关,或将阀门全开。5.对阀门具有完善的保护措施,开关向的,行程、力矩双重保护,以及当控制信号在小于2%时,执行机构将阀门全关,避免了流体对阀门密封面的损伤,保证阀门的切断功能,在控制信号大于98%时,阀门全开。6.现场手电动操作功能,现场具有LED状态指示,切换键和开关键可以实现手动操作,提高了控制精度,减少了电气及机械冲击,延长了电气及机械的使用寿命,降低了能耗。8.调整方便,采用设定按钮,可实现事件功能和死区的设置,设置参数存储E2ROM里面,设置数据可保存100年。9.模块采用接插件接线,维护检修方便。
二、型号表示方法
三、技术参数(1)、工作电源 三相四线 制AC380±10%50Hz(带N线);
(2)、特规订货:单相AC220V AC415V AC440V AC660V 三相三线遥控器 液晶显示等其它特规供货等;
(3)、工作环境:环境温度:-20~60℃;相对湿度不大于80%(20±5℃);
(4)、输入控制信号4~20mA电流信号,信号源负载能力≥250Ω;
(5)、输出阀位反馈信号:直流4~20mA,负载能力≤750Ω;死区1~5%,可设置;运动禁止时间3~12S可设置;丢信号保护可组态为:保位(默认),或全开,或全关;现场按钮动作方式三种可组态。
(6)、短时工作制、额定时间10min
(7)、户外型:防护等级IP65
四、规格和主要技术参数
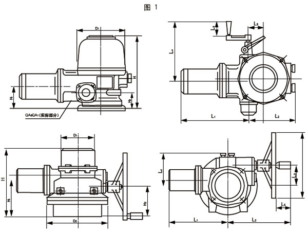
五、外形尺寸及连接尺寸(一) QTJ型外型尺寸(见图1,表1)连接尺寸(见图2,表2)

六、工作原理、接线图及操作指示说明1、工作原理
调节型电动执行机构是自动控制系统的主要执行部分。它接受控制系统DC4~20mA信号,将此信号转变成对应执行机构的角位移或机械位移来自动调节阀门的开度,达到调节流量的目的。
该执行机构具有二种状态:手操状态,通过现场/远控键进行切换,通过现场的开阀键和关阀键,可以对阀门进行开、关操作;自动状态,执行机构上的数字伺服放大器将接受到自控制系统的DC4~20mA信号与阀位电阻上采集到电信号进行比较,若两者的差值大于用户设定死区值,则数字伺服放大器将发出控制信号,驱动执行机构向减小偏差的方向运行,直至两者的偏差小于相应的值,数字伺服放大器发出停止信号,为了克服运动系统的惯性导致的调节精度的影响,执行机构的控制系统采用智能预测算法,减少惰走,提高了执行机构对阀门的控制精度,减少了制动时对电气部件和机械部件的损伤,延长了电气、机械的使用寿命,同时降低了能耗(也可根据用户要求启用反接制动和智能算法结合使用)。


3. 操作及指示灯状态说明:
3.1操作面板指示灯状态说明:
黄灯常亮:电动执行机构处于接收远方4~20mA自动控制状态;
黄 灯 闪:电动执行机构处于现场手动操作状态,可以用现场
开、关键操作阀门;红灯常亮:阀门全开;红 灯 闪:正在执行
开阀命令;绿灯常亮:阀门全关;绿 灯 闪:正在执行关阀命令;
红、绿两灯同时闪:远控无4~20mA输入,控制信号断线或断电,
或+,-接反,红、黄、绿三个灯闪:三相电源相序错或三相电源缺相;
红、黄、绿三个灯灭:三相电源没有送或缺U、W相。
3.2操作说明:
按远控/现场切换键可以切换远控(黄灯常亮)和现场(黄灯闪烁)状态。在现场状态时按远控/现场切换键则进入远控操作状态 在远控状态时电动执行机构只接受控制系统的4~20mA指令信号实现阀门的闭环调节操作。
在远控状态时按远控/现场切换键,则进入现场状态,在现场状态中接受关阀键和开阀键的指令,按关阀键,则电动执行机构执行关阀命令(绿灯闪烁,电动执行机构关阀),按开阀键,则执行开阀命令。
七、调 整
电动装置出厂前对转矩控制机构进行了试验标定,符合产品铭牌中所示的最大控制转矩,一般不需再作调整,另外,主箱上两机械限位螺钉亦调好紧固,无特殊情况不得松动。出厂时电动装置的驱动轴,行程控制机构、开度指针通常放在中间位置。(不要变动指针位置,以便安装调试时观察)。
电位器齿轮与电位器处于松动状态,以防调整过程中损坏电位器。行程控制机构的上凸轮为“开”凸轮。转矩控制开关的上部凸轮为“关”凸轮。
1、行程控制机械调整(含指针和电位器调整)
①、将阀门手动到中间位置。
②、启动电动机,确定电动时阀门旋向是否正确,如有误应调整电源相序。
③、手动阀门到关位置,松动“关”控制凸轮上的螺钉,按关阀门时的旋向转动凸轮并使其触动微动开关。当听到微动开关动作“卡哒”声时,则可适当拧紧凸轮上的螺钉。
④、将阀门向开关方向手动,使“凸”轮高开微动开关触头,再向关阀方向电动,以检查阀位置的调整质量。如限位准确控制灵敏则调整合格。此时可将“关”控制凸轮上的螺钉紧固可靠,不得出现松动现象。(如关阀有误差,则应微调凸轮,反复检查调整质量,直至合格)阀门关位置调整完毕。
⑤、手动阀门到全开位置,“松动”开控制凸轮上的螺钉,按开阀时的旋向转动凸轮并使其触动微动开关,当听到微动开头动作时“卡哒”声时,可适当拧紧凸轮上的螺钉。(下面程序与关阀调整“4”相同,但应注意旋向)。
⑥、将阀门电控开关一个行程,以确认控制准确。再一次检查开、关控制凸轮上的螺钉紧固可靠性。至此开、关阀的行程控制均调整完毕。
⑦、开度指针调整:在阀门位于某一极限位置时,将指针上螺钉松开。使指针对准上述位置相应的刻度,再将螺钉拧紧。
⑧、电位器调整:在阀门位于某一极限位置时,将电位器齿轮向上推起使其脱离啮合。而后将其上紧固螺钉拧紧,旋转电位器到相应的阀门位置(电位器旋转于终端)再稍退回一点。将电位器上紧固螺钉松开并使齿轮进入啮合状态,而后将紧固螺钉拧紧。(应注意电位器极限位置的确定,否则会使其损坏,QAW系列的电位器旋向均与指针旋向相反)。
⑨、机械限位螺钉的调整,如需调整限位螺钉首先应确定该螺钉所限制的阀门位置。右侧限位螺钉为关限位,左侧限位螺钉为开限位。当阀门在调好的极限位置时,先向内拧螺钉直到与驱动轴上限位部分接触,而后再退回0.5-1圈,最后将外部防松螺钉(或螺母)拧紧。机械限位则调整完毕。
2、模块调整
①调整阀位信号:将电动执行机构切换到现场状态,将阀门电动关到关位,按电动装置说明书将阀位电位器调到零位(注意电位器的旋向应与电动执行机构的开关旋向一致),将万用表的串入阀位输出端,在阀门全关的位置,阀门全关位信号应为4mA左右,(若为20mA左右,则将按在电位器两端1.3上的线对调,使其为4mA左右),若稍有偏差,则调整调零电位器(ZERO),将输出信号调到4mA;将阀门开到全开,用调满电位器(SPAN)将阀位输出调到20mA左右;将阀门开关一个来回验证阀位是否为4~20mA,如仍有偏差则按上述顺序重新调整,直至达到要求。
提示:为保证阀门关的严,开到全开,则:关位信号调到要稍大于4.00mA(一般4.08mA);开位信号调到稍小于20.00mA(一般19.90mA)
②参数设置:具体操作过程参照设置程序框图
③死区的设置所谓死区就是执行机构能跟踪的控制信号的最小变化量,它是影响执行机构灵敏度的一个参数。太小容易引起电动执行机构的震荡,太大又影响调节的敏捷与精度,一般以调整以满足系统调节精度要求又不振荡为准。设置时参照表一,当选定到表中的灯状态时,按开阀键则可将死区设置为对应的值,并进入下一个项目的设置。出厂默认死区2%。
④运动禁止时间设置运动禁止时间是指电动执行机构动作后再次动作时所需要间隔的时间,它是限制电动执行机构频繁动作的参数,有效的防止机械不必要的磨损。出厂默认时间为3秒。
⑤远程控制信号断线事故处理设置当电动执行机构处在自动状态,远程模拟量信号由于某种原因(如系统故障,断电,输入信号断线等)不能输入电动执行机构,电动执行机构将按照预先的设置,将阀门关闭,或打开,或保持原来的阀位,此设置是用户根据管道的工艺要求设置,出厂默认为阀位自保持。
⑥现场按钮方式设置现场按钮有效方式设置:现场按钮可以设置为按钮自保持方式,或点动方式,或旋钮自保持方式,按钮型出厂默认按钮自保持方式;旋钮型出厂默认点动方式。参数和指示灯状态对应表
八、安装方法及使用维护注意事项1、本装置即可垂直安装(即输出轴垂直于地面),也可水平安装,安装时应考虑便于接线,调试及操作。
2、安装后必须按调试要求逐项进行调试,检查各部门运行正常后才能投入使用。
3、本装置符合《阀门电动装置技术条件》(ZBJ1600z-87)的规定,手轮与输出轴转向一致,顺时针为关,逆时针为开。
4、电装采用专用阀门三相异步电动机,额定持续工作时间为10分钟,调试时应予注意。
5、对于不经常使用的阀门,应定期运行操作(建议每月一次)。
6、不得在阴雨天于户外打开电气箱罩,电机等密封部件,拆开重装时密封部件应盖严、紧固。
7、润滑采用流体00#复合钙基齿轮脂,亦可采用HL-20齿轮油,润滑情况每年检查一次,如无异常,可继续使用。
8、本装置贮存时,应放在干燥通风和不含腐蚀气体的室内。
九、故障与排除
十、订货须知
1、用户应考虑阀门的机构型式、口径、压力、阀门周围的温度及介质温度的变化等多种因素,选择合适的规格。
2、如用户有特殊要求,可与我厂联系,考虑特殊供货。